Scientific interface for the Amstrad PCW

The Amstrad PCW8256/8512 is marketed as a low-cost
word-processor, but it can also make an excellent
computer for the laboratory.

BRIAN J. FROST
An important requirement was that the interface be kept modular so that sections could be easily omitted or added later. Figures 5 to 9 show optional circuitry that may be included as required. In addition, extra address decoding has been provided to reserve a total of eight 8-bit port addresses, allowing four for the present circuitry and another four for adding later a serial interface and eprom programmer.
Address lines from the expansion connector are taken to decoders IC201 and IC202 (Fig.2, April issue, page 455) which provide a separate read and write select line for each of the four ports on the card. Port addresses and their hardware assignments (Fig.4) have been chosen in consultation with Amstrad to ensure future upgrade capability.
Fig.3. Details of the Amstrad PCW connector.1
Fig.4 (right). Port address map: assignments for the interface have been chosen in consultation with Amstrad.
Any address access to the card triggers IC203, a monostable which drives an 'access' led. This has proved useful during the construction of both hardware. Data bus transceiver IC207 is enabled by any card access and provides additional protection and fanout.
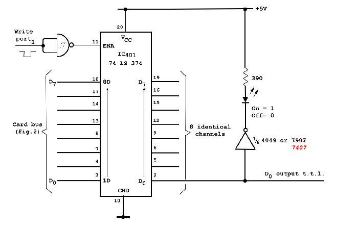
Figure 5 shows the eight-bit digital output. A single octal latch IC401 latches data written to port address A1. The data output is displayed on leds but no attempt has been made to add extra output buffering. This is the only external connection to the interface where protection is not available since it adds significant complexity if speed or other compromises are to be avoided. Data written to this address remains latched until changed.
Fig.5. Eight-bit t.t.l.-level output. Further buffering may be needed.
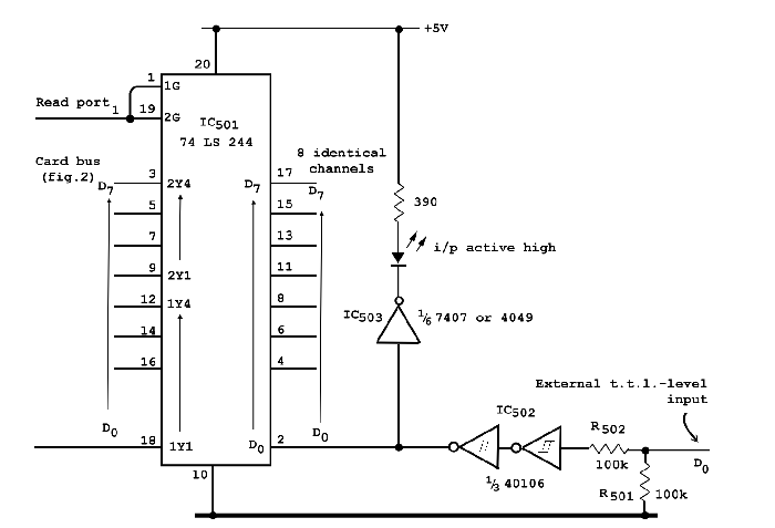
Figure 6 shows the eight-way input circuitry. Input signals are pulled down by R501 and the Schmitt triggers are fed via R502. This arrangement is highly recommended since it provides very low loading and can be connected directly to 15V c-mos or arbitrary logic levels, so long as the threshold of around 2V is accommodated.
Fig.6. Eight-bit t.t.l.-level input: loading of the external circuit is very low.
The level of protection is very high: and although it is to be discouraged, an input can be connected to the mains without damage other than increased heating of the input resistors. A speed degradation of 1μs or so is due to R502, but this is small compared with the obtainable processor i/o rate of around 20μs.
The digital to analogue converter circuit (Fig.7) can be added to the address decoding of Fig.2 to form a powerful waveform synthesizer.
Fig.7. Digital-to-analogue converter: applications include waveform synthesis.
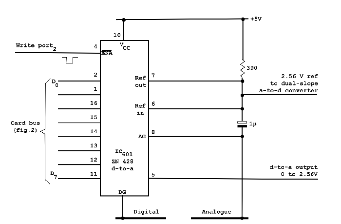
The eight-bit converter is a bus-orientated device that latches data written to port address A2 and provides an output voltage controlled from zero to its 2.55V internal reference. This is fed to the optional circuitry of Fig.10 which provides scale and offset adjustment as well as i/o protection.
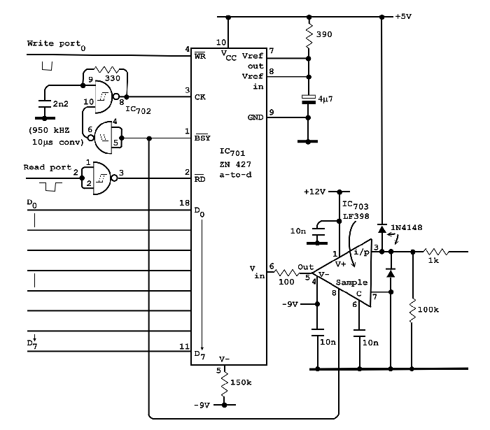
Figure 8 shows the high-speed eight-bit successive approximation a-to-d converter IC701 with its sample and hold buffer amplifier. A minimum system would comprise the address decoding (Fig.2), the d.a.c. (Fig.7), a simple inverter to derive a negative supply and this circuit to provide almost all of the waveform recording, replay and plotting facilities.
Fig.8. Successive approximation a-to-d converter: conversion rate is set by the clock generator to about 100k samples per second.
This circuit will digitize an input waveform via software at up to 25kHz, although the a-to-d conversion time is set by the clock generator IC702 to around 10μs (100k samples per second). During conversion the Busy output is used to force a Hold condition on IC703 to ensure no input change. This allows the fastest sampling of dynamic waveforms without external filtering.
Conversion is started by a write to port address A0. Internal circuitry then performs the conversion and data is available for reading at port A2. The fixed, short conversion time eliminates the need to take the Busy signal to the processor.
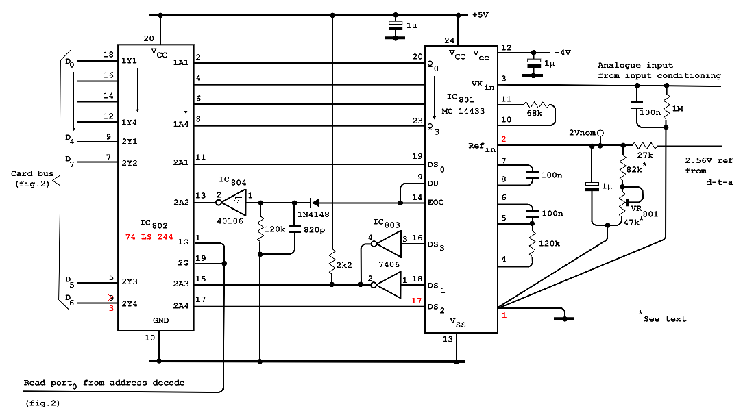
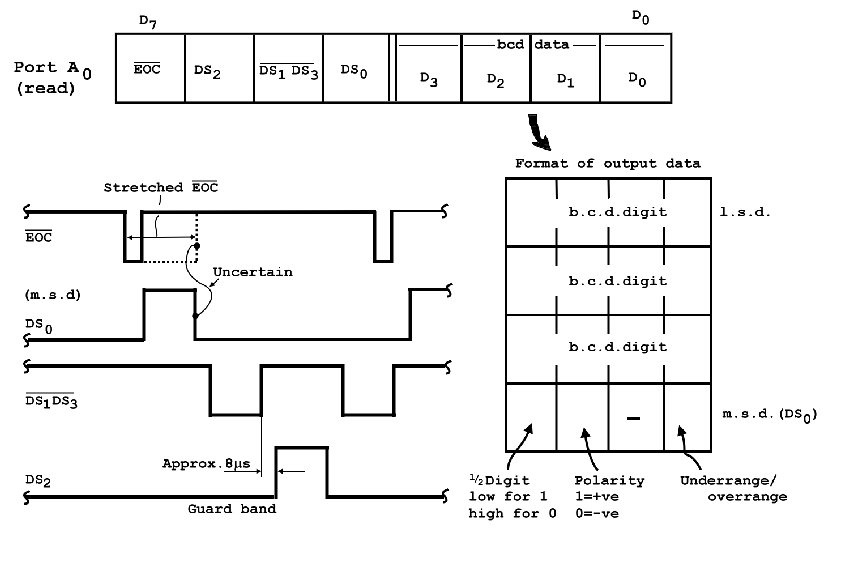
For more precise but slower measurements, a dual-slope a-to-d converter is available (Fig.9). This is an auto-zeroing, b.c.d. output device which accepts an input voltage of either polarity in the range +2.000V to -2,000V and provides four 4-bit b.c.d. words at Q0-Q3 together with strobe signals DS0-DS3 which identify their significance.
Fig.9 (above). For more precise measurements, the interface includes this eight-bit dual-slope converter. IC802 is an LS244.
The device is ratiometric and requires an external 2V reference. The d-to-a converter reference is slightly higher at a nominal 2.55V and for accurate reading of the applied voltage this reference may be adjusted to 2.000 volts by VR801. The adjustment is only needed if the analogue signal conditioning is omitted, since a variable gain factor is inherent in that section. In this case VR801 can be replaced by a link, and 100kΩ fitted instead of the 82kΩ shown.
The processor reads each b.c.d. digit and its strobe via IC802 (timing diagram Fig. 10).
A read cycle begins with the end-of-conversion signal EOC which is stretched by IC804 to ensure its visibility to the processor read loop. The processor then loops waiting for the first strobe (DS0) to read the most significant b.c.d. digit, followed by strobes for the other three digits. Strobes DS1 and DS3 are combined since there is no timing ambiguity.
Extra information is available coded into the m.s.d. (inset in Fig.10). The accompanying software extracts the half-digit and polarity and stores overrange and underrange in mernory undecoded.

SIGNAL CONDITIONING
A quad op-amp IC801 (not shown) buffers and conditions the analogue signals both inward and outward. The circuits allow a scale factor to be set from around 0.5 to 5 times gain, together with an offset adjustment to suit either bipolar or unipolar levels.
A switch S101 allows a.c. coupling if required.

TESTING
Physical layout of the interface is important since it must mate wih the connector at the rear of the Amstrad PCW enclosure. This connector (Fig.3) carries all the bus signals and will not, in general, permit the use of ribbon cable out to a remote unit.
The prototype unit was therefore constructed in two sections: a logic section with the converters on the rear of the computer, and the i/o section remote on ribbon cable. But it would be better to construct the unit in one piece to mount directly on the computer.
It may be difficult to find a connector designed to fit the rear expansion port. Unless the connector supplied in the kit is to be used, an ordinary 0.1 inch pitch edge-connector can be adapted to fit.
If you adapt an ordinary connector, use of the Amstrad polarizing slot is not recommended since it is placed between the 0.1 inch pitches and so cannot be used with the usual 'pin substitute' type polarized connectors. The best alternative is to rernove the outer unwanted pins from a longer connector and to fabricate end-cheeks which will locate the connector snugly on the outer end of the exposed Amstrad p.c.b. without the need to insert anything in the slot between the pins. The end-cheeks can be made using pieces or p.c.b. or other material dropped into the connector and fixed with epoxy before being pushed on to the Amstrad for location as the expoxy cures. Be careful not to be too generous with the epoxy, or the connector may become a permanent feature of the computer! Wiping the Amstrad connector with a silicone-based preparation such as WD-40 will prevent stray expoxy from adhering.
Begin testing with the address decoding circuit of Fig.2. Having checked it, fit it to the computer and run the program PORT. This asks for the selection of a read-data or write-data fast software loop, allowing an ordinary oscilloscope to be triggered from TP201 (the card enable line) and so probe any address or data line.
If there has been an error in construction, it may be that no trigger pulse appears at TP201. In this case, trigger the 'scope from IOREQ (i/o request) using the PORT program and examine the inputs and outputs of the address decoders to establish why the required port address is not being correctly decoded. On the prototype the +5V rail takes around 200mA and the +12V a few mA.
After one or more of the interface functions has been added it can be tested fully using another supplied test program SIN.

AVOIDING PROBLEMS

COMPONENTS
The interface is available fully assembled and tested at £139, or in the following kit stages:
Kit A: printed circuit board with connector for address decoding circuitry of Fig.2, £16.50.
Kit B: address decoding circuitry of Fig.2 including p.c.b, connector, and all components fully assembled and tested, £31.50.
Kit C: complete interface including case, p.c.bs, components, connectors, switches and interconnecting cable, £117,50.
Prices include postage and packing but please add v.a.t at 15%. Orders or enquiries should be addressed to Placepower Ltd, Unit 24, Longs Industrial Estate, Englands Lane, Gorleston, Norfolk NR31 6BE, telephone 0493 603771.

Software
For handling low-frequency waveforms, or where numerical power is required, the interface may be controlled quite satisfactorily from the Basic supplied by Amstrad. But to exploit the unit's highspeed waveform-handling capabilities, additional software is needed.
A suite of software is available from the author (details below): it includes both low-level drivers and high-level programs. If this software is to be used without modification, do not change either the port addresses shown in Table 1 or the layout of the dual-slope a-to-d result word in Fig.10.
Fig.10. Timing diagram and data format of the a-to-d converter in Fig.9.

LOW-LEVEL ROUTINES
The driver routines help in the construction and testing of the interface and allow its operation from Basic or from assembler:
PORT.com is intended for testing: it allows data and decoded port addresses to be triggered or viewed on an oscilloscope.
SIN.com provides screen and keyboard control ot all interface functions. The d-to-a converter and t.t.l. output can both be set to a specified hex value.
[It requires the system file SYSROT]
DRV.bas is for communicating with all interface functions from Basic. This program contains source code that is merged into the user's Basic program.
[It requires the driver DRV.COM]
AD.asm is an 8080 source-code file which allows users of the CP/M MAC assembler to construct machine-code software for their own applications. This program performs a single read of the dual-slope a-to-d coriverter and stores the result in memory.

HIGH-LEVEL SOFTWARE
High-level capabilities of the suite are centred on the dedicated assembler program WORD (for waveform output, recording and display).
[It requires the system files SYSROT and GSX. A description of WORD will be found here]
It provides extensive facilities for waveform capture, generation and display as follows:
Recording: any waveform can be recorded via the eight-bit a-to-d converter at rates from 50μs to 50s per sample and for a run of over 50 000 samples. This feature turns an ordinary oscilloscope into a digital-storage oscilloscope suitable for capturing one-off events. It is quite adequate for digitizing speech and music.
At the start of a recording run, a positive-going t.t.l. edge is available at the digital outputs. This has been used to stimulate external component networks and hence to display their transient response.

Replay: stored data can be replayed out through the d-to-a converter at rates from 5μs to 50s per sample, allowing a recorded waveform to be replayed in either a looping or one-shot mode. Data can be a previously recorded waveform, (unmodified or modified) or numerically generated data synthesizing sine, cosine, exponential or userdefined functions.

Plotting: data stored in memory can be examined on the graphics screen and plotted on the printer. The display can be zoomed, panned and measurements made with a cursor on addresses or data.

File handling: stored data can be interchanged between memory and 'waveform' files. These files can then contain pre-recorded waveform data as well as allowing a waveform synthesis program to create whatever shape or function is needed and add it to the library of files.

Waveform synthesis: using simply the address decoding and d-to-a circuitry, this feature gives the user a powerful waveform synthesizer. A Basic program GEN.bas allows numerical synthesis and graphical display of waveform functions such as sine, cosine, random, pulse, with exponential envelope conditioning and user-defined shapes. All functions can be assigned as absolute data or combined with existing data to add, multiply, subtract and divide, allowing distortion synthesis, noise injection and modulation. [A description of GEN.bas will be found here]
Data from this program can be read into the main WORD program and played out at whatever timebase setting is required.

AVAILABILITY
Driver and test routines for the interface can be supplied by the author in full source and object code on CF2 disc for £8.50, or for £3.50 if you provide a blank disc.
The full program suite, which includes source and object code fully commented and with instructions, costs £17.50 (or £12.50 if you provide the disc). Prices include postage and packing. The author's address is 'Coppins', 8 Robinswood Drive, Ferndown, Dorset BH22 9RZ; telephone 0202-875743. Please include a stamped, self-addressed envelope with any queries.
For readers wishing to use the CP/M editor and assembler provided by Amstrad, the 8080 source code AD.asm is available as a listing from the Electronics & Wireless World editorial office at Quadrant House. Send a Iarge stamped, self-addressed envelope, marking the covering envelope 'Amstrad Interface'.
Using the interface: this waveform was synthesized numerically using the design program. The waveform may be output through the d-to-a to a 'real-world' application at a variety of timebase rates, but equally it could have been recorded from the real world.
1. In Germany the PCW was supplied with another type of connector. The connector had the same signals on the same pins. But the numbering was different compared to the English version.