Scientific interface for the Amstrad PCW

The Amstrad PCW8256/8512 is marketed as a low-cost
word-processor, but it can also make an excellent
computer for the laboratory.

BRIAN J. FROST
Although marketed for small business applications, Amstrad's PCW machines are supplied with powerful CP/M and Basic software, a large internal memory (256K or more) and the ability to handle graphics on screen and printer.
This design exploits the features of the 8256 to provide a simple, general-purpose interface that can be used to generate, record, analyse and plot complex waveforms or voltages without the need to purchase extra peripherals. It offers both analogue and digital input and output and uses modular circuitry which can perforrn as a complex function generator, waveform recorder, pattern simulator, or general purpose measuring systern for software measurement or control of analogue or digital real-world parameters.
Its facilities also allow the investigation of such techniques as digital signal processing, network analysis, speech and music synthesis, and can help in the teaching of electronic theory.
The unit was first designed to allow simple programmable measurement and waveform generation for applications in the d.c. to upper audio-frequency range: for example, battery discharge curves, speech and music waveforrn synthesis and capture or monitoring and storage of one-off events that otherwise are not suitable for an oscilloscope.
However, it became apparent that significant power came from the inclusion of analogue output as well as input, thus permitting waveforms to be replayed, edited or created directly from software.
With the ability to use over 85% of the processor memory for data storage (excluding the large memory disc within the computer), the unit has been used for
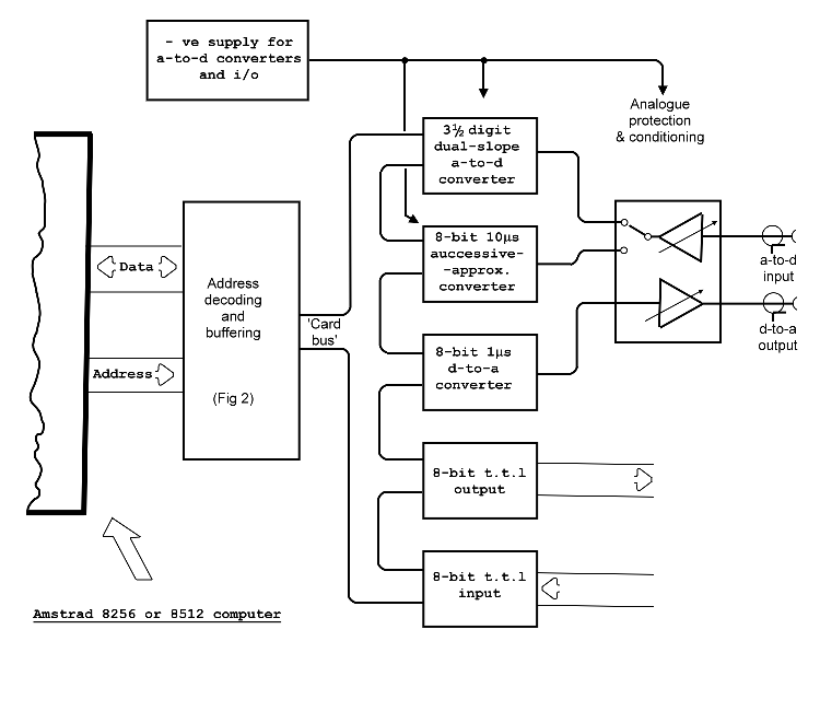
Fig.1. System block diagram. For versatility, the interface is modular in design.
A block diagram of the scientific interface is shown in Fig.1. The processor bus available at the rear of the computer is buffered and decoded to communicate with five separate modules: two analogue to digital converters, one digital to analogue converter and a simple digital input and output. Circuitry between these functions and the outside world provides conditioning and protection against damage, an important point that has often been considered trivial in other designs.
To keep the design as simple as possible, software control has been adopted for all data transfers. For example, waveform generation is performed simply by outputting data bytes via the eight-bit d-to-a converter. Such data can be created by Basic programs, derived from user-written functions that generate sine, square, triangle or even 'funny' shapes, or supplied by replay of previously recorded data captured by the a-to-d converter and stored in the disc waveform library. The interface's versatility results from the large memory available.
Although they provide greater speed, more hardware-intensive techniques such as d.m.a. were not considered here since the aim was not primarily to exceed the upper audio band but rather to provide circuitry that would interface easily to existing languages, besides being simple and flexible in construction and use.

ANALOGUE I/O DEVICES
Despite certain performance restrictions imposed by the software approach, the choice of devices used for the analogue i/o is still fundamental to the design and so it is worth identifying the trade-offs available.
It became clear that for analogue input no single a-to-d converter would allow measurement to be made at high-speed, with good resolution and at reasonable cost. It is a point of interest that there is no other semiconductor sector where the trade-off between performance and cost is more marked than in analogue data converters.
Despite continuous improvement in value for money, popular converters are still of two main types: successive approximation and integrating. Each has advantages and disadvantages. A successive approximation converter is fast (often less than 50μs conversion time) and is readily available from 8 to 12 bit resolution. In contrast, an integrating is much slower (often less than 25 conversions per second) but easily provides greater precision with the equivalent of 12 to 16 bits resolution. Integrating converters also have a certain inherent immunity to noise and mains pick-up and in many cases offer auto-zeroing and dual-polarity logic.
To offer good precision and yet high-speed measurernent, a low-cost device of each type has been included in the design, with switching so that the final choice can be decided by the application. The devices selected are a high-speed eight-bit successive approximation converter sampling at up to 100k samples per second, and a low-cost 3 ½-digit b.c.d. dual-slope integrating converter that provides 0.05% resolution as well as dual-polarity, auto-zero and noise rejection, at a speed of around 15 conversions per second.
Choosing the digital to analogue converter is rather easier since an eight-bit device allows good waveform resolution and a speed of operation limited only by software. Despite this software speed limitation sine waves well into the kilohertz region can be generated. High-frequency waveforms are easily cleaned up using simple RC filtering since the sampling harmonics do not appear until around 30kHz.
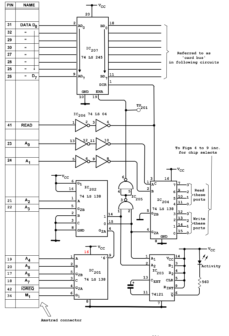
Fig.2. Address decoding and buffering module plugs into the Amstrad bus connector.

Brian Frost, C.Eng., M.I.E.E. graduated from Bangor University in 1974 with a degree in electronic engineering. Until recently he was in charge of the design of automatic test and manufacturing equipment at STC; now he is with Deltest Systems working on advanced analogue specific a.t.e.
His spare-time interests include writing and an involvement with Remap, a UK-wide network of engineering working voluntarily to make special aids for the disabled. In this field he is working on radio communication aids for the deaf. He is also a licensed radio amateur, C6UTN.
COMPONENTS
The interface is available fully assembled and tested at £139, or in the following kit stages:
Kit A: printed circuit board with connector for address decoding circuitry of Fig.2, £16.50.
Kit B: address decoding circuitry of Fig.2 including p.c.b, connector, and all components fully assembled and tested, £31.50.
Kit C: complete interface including case, p.c.bs, components, connectors, switches and interconnecting cable, £117,50.
Prices include postage and packing but please add v.a.t at 15%. Orders or enquiries should be addressed to Placepower Ltd, Unit 24, Longs Industrial Estate, Englands Lane, Gorleston, Norfolk NR31 6BE; telephone 0493 603771.

To be continued.